
首頁 / 硬密封蝶閥 / D673H氣動對夾式硬密封蝶閥
產品展示
產品詳情
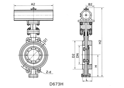
產品名:D673H氣動對夾式硬密封蝶閥
硬密封蝶閥的特點:
1.該蝶閥使用具有一定彈性的不銹鋼“ U”形密封圈,并且無論高溫如何,對蝶板的密封性能都非常好。
2.嚴格計算該蝶閥的3D偏心率后,“ U”形密封圈和蝶板幾乎沒有摩擦,使用壽命長且功能正常。越來越緊;
3.蝶板密封面采用堆焊鈷基硬質合金,密封面耐磨損,使用壽命長;
4.硬密封蝶閥結構簡單、緊湊、重量輕、易于安裝和拆卸、維修方便;
5.本蝶閥結構特殊,“開關”僅需轉動閥桿90°即可完成。操作靈活、方便、省力、不受介質壓力的高低影響,密封性能可靠;
6.耐高溫、耐低溫、耐腐蝕性。
法蘭連接尺寸:
GB/T9113.1-2000;GB/T9113.2-2000
GB/T9115.1-2000;GB/T9115.2-2000
結構長度:GB/T12221-1989
壓力試驗:GB/T13927-1992;JB/T9092-1999 執行機構
采用新型系列GT型氣動執行器,有雙作用式和單作用式(彈簧復位),齒輪傳動,安全可靠;大口徑閥門采用系列AW型氣動執行器拔叉式傳動,結構合理,輸出扭矩大,有雙作用式和單作用式
1、齒輪式雙活塞,輸出力矩大,體積小。
2、氣缸選用鋁金材料,重量輕、外形美觀。
3、可在頂部、底部安裝手動操作機構。
4、齒條式連接可調節開啟角度、額定流量。
5、執行器可選帶電訊號反饋指示及各類附件以實現自動化操作。
6、IS05211標準連接為產品的安裝更換提供了方便。
7、兩端調的節螺釘可使標準產品在0°和90°有±4°的可調范圍。確保與閥門的同步精度。



上一條:D643H氣動法蘭式硬密封蝶閥
下一條:D373H蝸輪對夾硬密封蝶閥
相關信息
如果你有任何問題,你想了解的建議及產品,可以隨時聯系我們。期待您的咨詢!
聯系我們
在線留言
微信詢價