
您當前的位置:首頁 / 新聞動態 / 蝸輪蝶閥?的結構特點介紹
蝸輪蝶閥一般比彈性密封的閥門壽命長,蝸輪蝶閥應用范圍:不僅廣泛應用于石油、天然氣、化工、水處理等一般行業,也可用于火力發電廠的冷卻水系統。
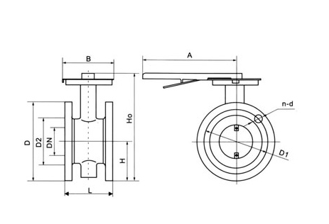
蝸輪蝶閥的結構特點介紹:
1.密封材料采用不銹鋼和丁腈耐油橡膠,壽命長。
2.該閥結構特殊、操作靈活、省力、方便。
3.橡膠密封圈可置于閥體或蝶板上,適用于用戶可選擇的各種特性的介質。
4.閥門采用雙偏心結構,關閉時密封功能加強,密封性能優良。
5.蝶板采用框架結構,強度高,流通面積大,流阻小。
6.對夾式渦輪蝶閥具有雙向密封功能,可任意方向安裝,不受安裝時介質流向或空間位置控制的影響。
蝸輪蝶閥可用作各種腐蝕性和非腐蝕性氣體、液體、半流體和固體粉末管道和容器的調節器和截止閥。
新聞推薦
D341X蝸輪法蘭式軟密封蝶閥在出現問題的時候,如何排查,如何自檢,詳細說明2023-02-03
D341X蝸輪法蘭式軟密封蝶閥一般都設置旁通管路,在檢修或更換D341X蝸輪法蘭式軟密封蝶閥時,可使用旁通管路使…
如何提升蝸輪法蘭式硬密封蝶閥的密封效果2022-11-25
蝸輪法蘭式硬密封蝶閥又稱為金屬法蘭蝶閥,近些年發展較好,蝸輪法蘭式硬密封蝶閥的密封形式為金屬對金屬密…
D341X蝸輪法蘭式軟密封蝶閥適用于流量調節2022-09-26
D341X蝸輪法蘭式軟密封蝶閥結構通用,操作靈敏,省力,方便,壓力大,沖擊小,密封功能可靠。選擇了三維結構…
蝸輪對夾式軟密封蝶閥是怎樣連接的2022-09-07
蝸輪對夾式軟密封蝶閥的密封用材基本上均是橡膠和高等塑料。考慮到其自身結構和用材的問題,使得它不能夠適…
如果你有任何問題,你想了解的建議及產品,可以隨時聯系我們。期待您的咨詢!
聯系我們
在線留言
微信詢價